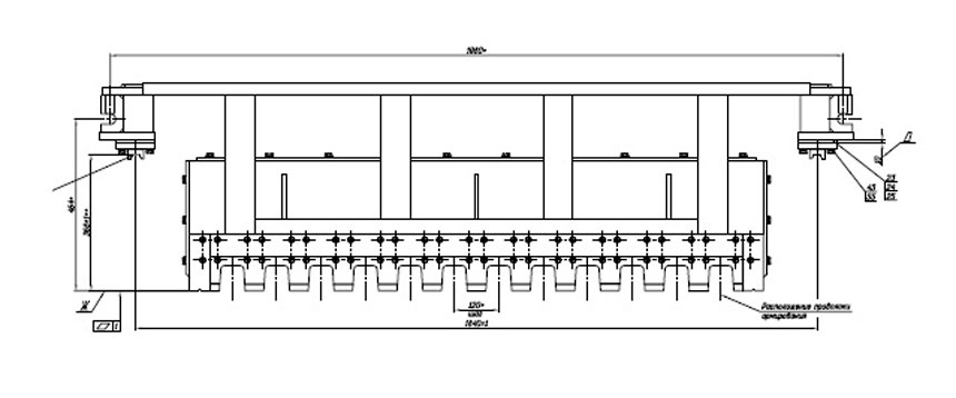
Металлические формы образующие оснастки для формующих машин ЛБФ(линий безопалубочного виброформования) Tehnospan, Tensyland, СТМ, для заводов по изготовлению железобетонных изделий, таких как: пресс-формы для плит пустотного настила, балок, ригелей, перемычек, лестничных маршей и мн.другое.
КАТАЛОГ ОБОРУДОВАНИЯ ДЛЯ ЖБИ
формы жби
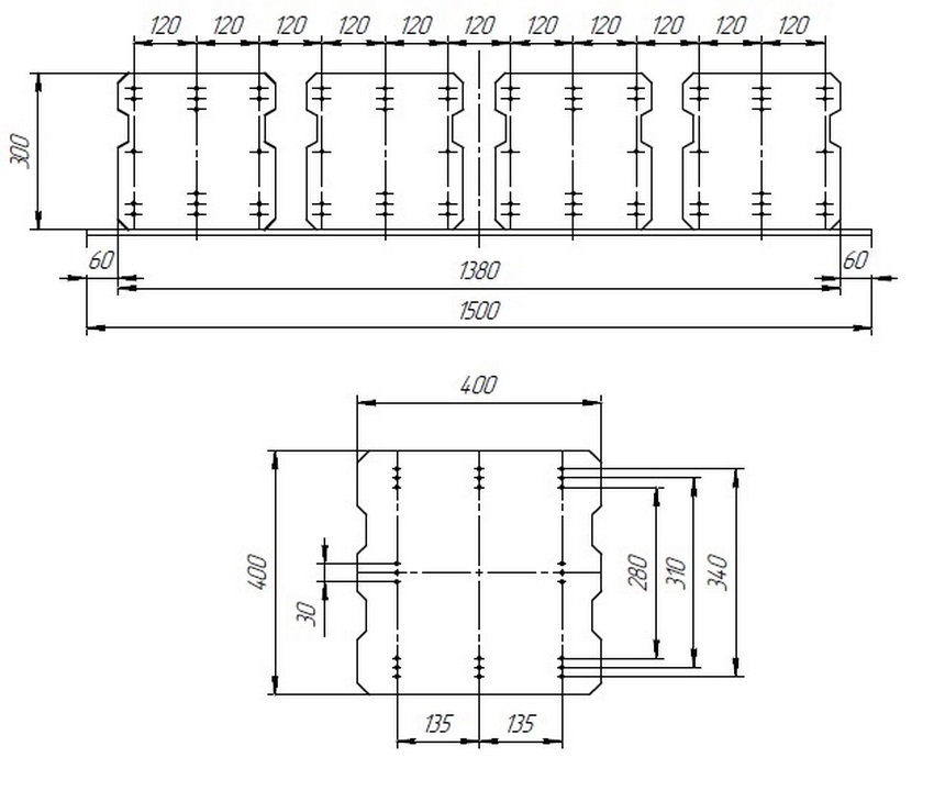
Плиты перекрытия пустотные ПБ ГОСТ 9561-91 (Технология ЛБФ / Линии безопалубочного формования железобетона)..
- ПБ - 160 ширина от 1000 до 1500 мм, h - 160 мм
- ПБ - 180 ширина от 1000 до 1500 мм, h - 180 мм
- ПБ - 220 ширина от 1000 до 1500 мм, h - 220 мм
- ПБ - 265 ширина от 1000 до 1500 мм, h - 265 мм
- ПБ - 300 ширина от 1000 до 1500 мм, h - 300 мм



Сваи железобетонные забивные, цельные и составные. Брусковые перемычки (ГОСТ 19804-91)
- СБ 300 - 300 (ширина - 300 мм, высота - 300 мм, количество изделий на дорожке линии безобалубочного формования железобетона - 4).
- СБ 400 - 300 (ширина - 400 мм, высота - 300 мм, количество изделий на дорожке линии безобалубочного формования железобетона - 3).
Папка сваи



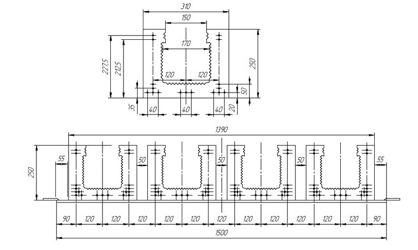
Ригели лотковые для каркаса здания (ТУ 5825-276-3655401-09)
Формы жби для производства ригелей железобетонных предварительно напряжённые:
- РБ 310-250 (ширина - 310 мм, высота 250 мм, количество изделий на дорожке ЛБФ - 4).
- РБ 400-250 (ширина - 400 мм, высота 250 мм, количество изделий на дорожке ЛБФ - 3).



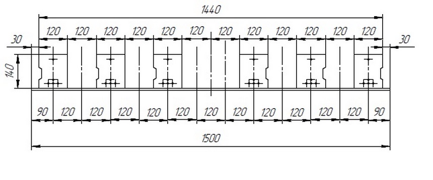
Перемычки брусковые простые (на 1 типоразмер):
- 2ПБ (ширина - 120 мм, высота - 140 мм, количество изделий на дорожке - 6).
- 3ПБ (ширина - 120 мм, высота - 220 мм, количество изделий на дорожке - 6).
- 5ПБ (ширина - 250 мм, высота - 220 мм, количество изделий на дорожке - 4).
- 10ПБ (ширина - 250 мм, высота - 190 мм, количество изделий на дорожке - 4).
Перемычки брусковые комбинированные (на 2 типоразмера).



Пресс-форма для шпалерных стоек
Изготавливаемая шпалера представляет собой армированный железобетонный столб сечением 70х70 мм. Армирование проволокой ВР6 с количеством проволок на шпалеру - 3 шт. Шпалерные стойки предназначены для устройства садов и виноградников, служат для размещения и поддержания шпалерной проволоки.


Форм ступеней лестницы ЛС-1 (ширина - 1500 мм, высота - 140 мм, количество изделий на дорожке - 3),
Формы жби для производства вентиляционного блока 860х300
Формы жби для производства дорожных плит и бордюров


Запасные части для форм и линий ЛБФ:
- пуансоны из полиуретана
- уплотнители из полиуретана
- накладки для боковин
- плиты начала дорожки
- солдатики
- направляющие проволоки
- фаскообразователи
Жесткие сроки изготовления не превышающие 3х недель.
Стоимость изготовления любой формы 500 000 рублей с НДС. При заказе 2х и более гибкая система скидок.
Отправка пресс-формы до места Заказчика осуществляется любой транспортной компанией или самовывозом.
Готовы изготовить металлоформы любой сложности для производства бетонных и железобетонных изделий.
Комплектующие для бетонного оборудования.
ПУАНСОНЫ ИЗ ПОЛИУРЕТАНА
Наша компания осуществляет производство специализированных пуансоны из полиуретана, для формующих машин Tensyland (Тенсиланд),
Technospan (Техноспан), Resimart (Рисимарт), Instalpreten, ЗАО «СТМ». Пуансоны (пустотообразователи) устанавливаются в формообразующие оснастки. Применение пуансонов из полиуретана улучшает качество изделий (позволяет изготавливать пустоты плит соответствующие альбому армирования).
Сейчас изготавливаются пуансоны для плит ПБ:
- высотой 300 мм,
- высотой 220 мм,
- высотой 180 мм,
- высотой 160 мм,
- для вибро-бункеров
Мы готовы выполнить заказ на изготовление пуансонов по индивидуальным требованиям.



Стоимость изготовления от 15 000 рублей с НДС.
Отправка до места Заказчика осуществляется любой транспортной компанией или самовывозом.
